Редукторы цилиндрические одноступенчатые
| Редукторы цилиндрические одноступенчатые |
|---|
| Редуктор 1ЦУ 100 |
| Редуктор 1ЦУ 160 |
| Редуктор 1ЦУ 200 |
| Редуктор 1ЦУ-250 |
Редуктор 1ЦУ 100 – механическое приспособление, передающее энергию вращения от одного к другому валу. Применяется в машиностроении.
Область применения
Устройство используется в оборудовании:
• Упаковочном
• Пищевом
• Деревообрабатывающем
• Сельскохозяйственном и др.
Маркировка
1. 1ЦУ – типоразмер редуктора (с тихоходным цилиндрическим или коническим валом).
• Одноступенчатый горизонтальный редуктор (оси обоих валов параллельны).
• У – узкий корпус.
2. Ц – цилиндрический (цилиндрическое зацепление шестерен).
3. 100 – межосевое расстояние.
Одноступенчатый редуктор 1ЦУ 100 — устройство конструктивно простое и надежное в работе.
Основные технические характеристики
| Наименование технических характеристик | Типоразмер редуктора | ||||
|---|---|---|---|---|---|
| 1ЦУ-100 | 1ЦУ-160 | 1ЦУ-200 | 1ЦУ-250 | ||
| Передаточные числа | 2; 2,5; 3; 15; 4; 5; 6,3 | ||||
| Допускаемая радиальная консольная нагрузка, Н | на быстроходном валу | 630 | 1250 | 2800 | 4000 |
| на тихоходном валу | 2240 | 4500 | 6300 | 9000 | |
| Номинальный крутящий момент на тихоходном валу, Н.м | 315 | 1250 | 2500 | 5000 | |
| КПД | 0,98 | ||||
| Масса, кг | 17 | 78 | 135 | 250 | |
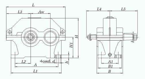
Габаритные и присоединительные размеры

| Типоразмер редуктора | Aw | A | A1 | B | B1 | H | H1 | h | L | L1 | L2 | L3 | L4 | L5 | d |
|---|---|---|---|---|---|---|---|---|---|---|---|---|---|---|---|
| Редуктор 1ЦУ-100 | 100 | 224 | 95 | 140 | 132 | 224 | 112 | 22 | 315 | 256 | 85 | 132 | 136 | 155 | 15 |
| Редуктор 1ЦУ-160 | 160 | 355 | 125 | 185 | 175 | 335 | 170 | 28 | 475 | 405 | 136 | 195 | 218 | 218 | 24 |
| Редуктор 1ЦУ-200 | 200 | 437 | 165 | 212 | 200 | 425 | 212 | 36 | 670 | 580 | 165 | 236 | 230 | 265 | 24 |
| Редуктор 1ЦУ-250 | 250 | 545 | 185 | 265 | 250 | 530 | 265 | 40 | 710 | 615 | 212 | 290 | 280 | 315 | 28 |
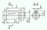
Присоедительные размеры выходных валов

| Типоразмер редуктора | быстроходный вал | тихоходный вал | ||||||||||
|---|---|---|---|---|---|---|---|---|---|---|---|---|
| d | d1 | l | l1 | b | t | d | d1 | l | l1 | b | t | |
| Редуктор 1ЦУ-100 | 25 | М16х1,5 | 60 | 42 | 5 | 13,45 | 35 | М20х1,5 | 80 | 58 | 6 | 18,55 |
| Редуктор 1ЦУ-160 | 45 | М30х2,0 | 110 | 82 | 12 | 23,45 | 55 | М36х3,0 | 110 | 82 | 14 | 28,95 |
| Редуктор 1ЦУ-200 | 55 | М36х3,0 | 110 | 82 | 14 | 28,95 | 70 | М48х3,0 | 140 | 105 | 18 | 36,38 |
| Редуктор 1ЦУ-250 | 70 | М48х3,0 | 140 | 105 | 18 | 36,38 | 90 | М64х4,0 | 170 | 130 | 22 | 46,75 |
Присоединительные размеры цилиндрических валов

| Типоразмер редуктора | входной | выходной | ||||||
|---|---|---|---|---|---|---|---|---|
| d4 | l4 | b2 | t2 | d5 | l5 | b3 | t3 | |
| Редуктор 1ЦУ-100 | 22 | 42 | 6 | 24,5 | 30 | 58 | 6 | 32 |
| Редуктор 1ЦУ-160 | 40 | 82 | 12 | 43 | 50 | 82 | 14 | 53,5 |
| Редуктор 1ЦУ-200 | 50 | 82 | 14 | 53,5 | 65 | 105 | 18 | 71 |
| Редуктор 1ЦУ-250 | 65 | 105 | 18 | 71 | 85 | 130 | 22 | 90 |
Редукторы цилиндрические одноступенчатые купить в Казахстане
Наша компания специализируется на поставках промышленного электрооборудования от мировых брендов, предлагая доступные расценки и оперативную доставку в любой регион страны. Наши квалифицированные и опытные специалисты оказывают профессиональную помощь в выборе одноступенчатых горизонтальных цилиндрических редукторов, учитывая потребности заказчика и целевое применение агрегатов.
Мы гарантируем высокое качество, быстрые поставки оборудования, а цена редуктора цилиндрического одноступенчатого в нашей компании демократичная по сравнению с конкурентами. Оформить заказ просто, для этого необходимо выбрать позицию и добавить ее в корзину. После заполнения контактной информации с потенциальным клиентом созванивается наш сотрудник и уточняет все нюансы.
Одноступенчатые цилиндрические редукторы горизонтальные: характеристики
В таких агрегатах одна ступень, а корпус преимущественно литой и изготавливается из чугуна. Рабочие колеса могут быть с разными типами зубьев: прямыми, косыми или шевронными. Валы устанавливаются на подшипники (скольжения или качения), при этом в тяжелых агрегатах применяются именно подшипники скольжения.
Качественные одноступенчатые цилиндрические редукторы горизонтальные больше распространены, чем вертикальные. В таких моделях на входном валу угловая скорость вращения высокая, а на выходном низкая. Данный вид оборудования с простой передачей и высоким КПД получил широкое распространение, а от количества ступеней зависит передаточное отношение.
Цена редуктора цилиндрического одноступенчатого приемлемая, у нас можно заказать разные модели, которые отличаются техническими характеристиками и производительностью. Мы гарантируем длительный срок службы, надежность и производительность, предоставляем на все промышленное электрооборудование сертификаты качества.
Редукторы одноступенчатые цилиндрические: цена разумная – качество отличное
К основным техническим характеристикам относится КПД, производительность, частота вращения валов (входного и выходного), мощность, передаточное отношение и тип передачи. Купить редукторы цилиндрические одноступенчатые можно в нашей компании с разными типами зубьев, а именно с прямыми, косыми, криволинейными и шевронными.
Колеса с прямыми зубьями отличаются повышенным шумом и вибрацией в процессе работы, поэтому они быстрее изнашиваются. Это приводит к материальным затратам на ремонт и замену запчастей, несмотря на это, они недорого стоят и просты в изготовлении. Колеса с косыми зубьями характеризуются сложной конструкцией, а главными преимуществами их является незначительная вибрация и шум.
Для производства криволинейных зубьев для рабочих колес требуется современное высокотехнологичное оборудование, они превосходят по эксплуатационным параметрам прямые и косые зубья. Угол зубьев у шевронных колес больше по сравнению с косыми, поэтому удается избежать появления осевой силы. Редукторы цилиндрические одноступенчатые в Казахстане в нашей компании качественные и недорогие, так как работаем исключительно с надежными и проверенными годами производителями напрямую.
Редукторы цилиндрические одноступенчатые купить недорого в нашей компании
В нашем каталоге большой ассортимент современных моделей редукторов по приемлемой стоимости с предоставлением сертификатов качества. К основным особенностям и преимуществам редукторов цилиндрических одноступенчатых в Казахстане относится следующее:
- высокая производительность и КПД. Благодаря минимальному трению и максимальному коэффициенту полезного действия такие агрегата широко применяются во многих отраслях промышленности;
- незначительное тепловыделение. В результате не требуется установка специальных систем охлаждения;
- непрерывная, длительная и надежная эксплуатация;
- передача высоких мощностей. Из-за особенностей конструкции удается при компактных размерах передать высокую мощность;
- эффективная эксплуатация независимо от пульсирующей нагрузки.
Благодаря высокой кинематической точности такие редукторы можно использовать в системах, к которым предъявляются особые требования к точности. Несмотря на ряд преимуществ, есть и некоторые недостатки, а именно ограниченное передаточное отношение из-за наличия одной ступени.
Редукторы цилиндрические одноступенчатые в Казахстане: большой выбор
Наша компания предлагает большой выбор качественных редукторов, а именно цилиндрические, червячные, планетарные, коническо-цилиндрические по разумным расценкам с гарантией качества. Редукторы цилиндрические одноступенчатые в Казахстане от нашей компании пользуются высоким потребительским спросом, мы осуществляем оперативные поставки оборудования надежной транспортной организацией.
Такие агрегаты используются для повышения крутящего момента и снижения частоты вращения, а при выборе модели необходимо учитывать условия применения оборудования. Нагрузка может быть реверсивная или одного направления (постоянная или переменная), а вращение валов в любую сторону.
Модели одноступенчатых агрегатов могут отличаться межосевым расстоянием, номинальным передаточным числом и крутящим моментом, массой и радиальной нагрузкой на валу. Наши квалифицированные консультанты быстро подберут агрегат с учетом всех требований, особенностей и условий эксплуатации.
Маркировка редуктора обозначает его тип, межосевое расстояние, передаточное число, вид сборки и климатическое исполнение. Учитывая все эти значения, подбирается соответствующая модель электрооборудования общепромышленного назначения. Оплатить заказ можно наличными или по безналу, любым удобным для покупателя способом (согласовывается с менеджером фирмы), а вместе с заказом он получает гарантийный талон, кассовый чек, инструкцию по эксплуатации и товарный чек или накладную (для юр. лиц).